Optical Communications Lens

- OptoNest optical communication lenses offer high-quality consistency, fast delivery, and competitive prices. They are widely used in various high-speed optical communication
fields, such as 5G/6G communication networks, data centers, and optical modules, and are stably supplied to leading optical communication companies in Korea and abroad. As a core component of optical communication, they utilize the characteristics of aspheric design to provide compactness, light weight, and high performance.
Features
- Ultra-precise aspheric design
- High coupling efficiency; broadband low-loss performance
- Ultra-compact, high-precision machining technology
- High heat resistance; environmentally resistant coating
- Customized design and manufacturing support
Applications
- TOSA, ROSA, Optical Transceiver
- Fiber Alignment Systems
- WDM Systems
- Optical Sensors & Instruments
- Fiber Laser Systems
- Medical and life sciences
- Quantum communications and next-generation optical communications
Specifications
| Items |
Specification |
Remarks |
| Material
|
High refractive index optical glass / Glass for precision molding |
Special glass available upon customer request |
| Diameter |
Ø 0.8 mm ~ Ø 5.0 mm |
Customizable for specific applications |
| Focal Length |
0.5 mm ~ 10 mm |
Customization available |
| NA |
0.1 ~ 0.6 |
High NA design available |
| Surface Accuracy |
λ/4 or less (at 633nm) |
Measurement equipment standards |
| Transmittance |
AR coating (Typical R < 0.3%) |
Custom coatings available for specific wavelength ranges |
| Wave Aberration |
<0.03λ, RMS |
|
| Wavelength Range |
1250 nm ~ 1650 nm (O ~ L Band) |
Special wavelength requests available |
| Thermal Stability |
-40°C ~ +85°C |
Industrial standards |
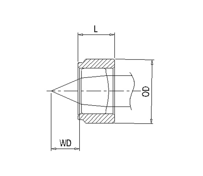
| CAN TYPE |
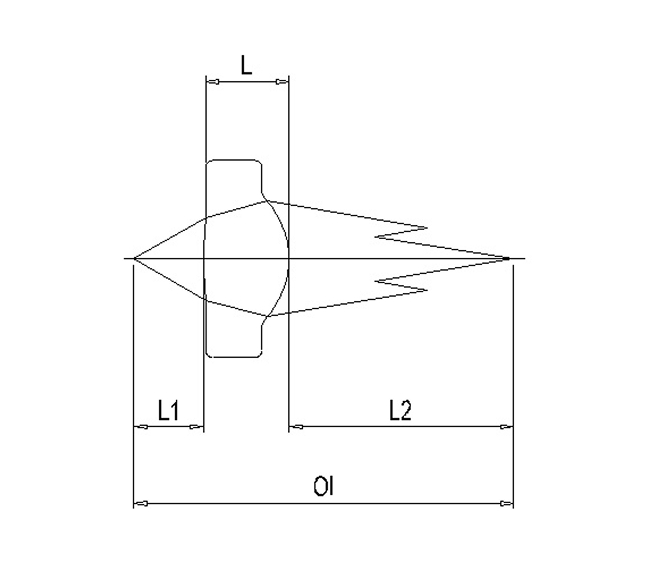
CHIP TYPE |
BARE TYPE |
 |
 |
 |